MPISスマート農業灌漑ポンプステーション
SINOSO MPISスマート農業灌漑ポンプステーションは、IoT対応のオールインワン灌漑・排水システムで、自動制御、流量計測、ビデオ監視、インテリジェント保護機能を備えています。柔軟性と効率性を重視して設計されたこのポンプステーションは、遠隔操作と集中管理をサポートするモジュール式のモバイル構造を備えています。パビリオンスタイルのデザインを採用し、革新的で環境に優しい素材で作られています。標準サイズは3種類(2.1×2.1 m、2.1×4.2 m、2.7×2.7 m)で、最大設置面積は10平方メートル未満であるため、省スペースで様々な構成に容易に導入できます。
製品の特徴
1. コア技術
- プロセスオートメーション:PLC制御の適応調整
- セキュリティシステム: デュアルチャンネル赤外線検知 + 1080p ビデオ監視
- フロー管理: ISO 4064-B認証超音波計測
- 接続性: MQTT 5.0 および OPC UA 産業用プロトコル
2. 物理的仕様
| モデル MPIS-210 | |
| 寸法 | 2.1m(長さ)×2.1m(幅)×2.8m(高さ) |
| フットプリント | 4.41㎡ |
| 工事 | FRPエココンポジット |
| モデルMPIS-420 | |
| 寸法 | 4.2m(長さ)×2.1m(幅)×2.8m(高さ) |
| フットプリント | 8.82㎡ |
| 工事 | 耐食合金 |
| モデル MPIS-270 | |
| 寸法 | 2.7m(長さ)×2.7m(幅)×3.1m(高さ) |
| フットプリント | 7.29㎡ |
| 工事 | UV安定化ポリマー |
3. パフォーマンス指標
- 導入の柔軟性: 再配置可能 <4時間(クレーン使用)
- 環境保護:IP54定格(IEC 60529準拠)
- 動作寿命: 100,000 時間以上 (MTBF 認定)
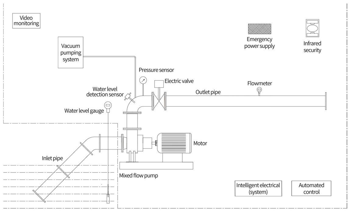
構造原理

スタイルインデックス

アプリケーションシナリオ

SINOSO MPIS スマート農業灌漑ポンプは、現代の農業灌漑および排水管理に特に適しています。
SINOSOを選ぶ理由
研究パートナー

SINOSOは江蘇省にある大学院ワークステーションであり、中国農業大学、南京農業大学、河海大学、江蘇大学、西南科学技術大学、江蘇省農業科学院、農業農村部南京農業機械化研究所の研究協力単位、研究実験拠点、大学院研修拠点です。




















+86-025-87150950
globalsales@sinosorob.com
+86 18133051944